舊《合成樹脂瓦國家行業標準》編號JG/T 346-2011「完整版本」
文章出處:責任編輯:成都坤寶建材人氣:發表時間:2020-03-04 14:59
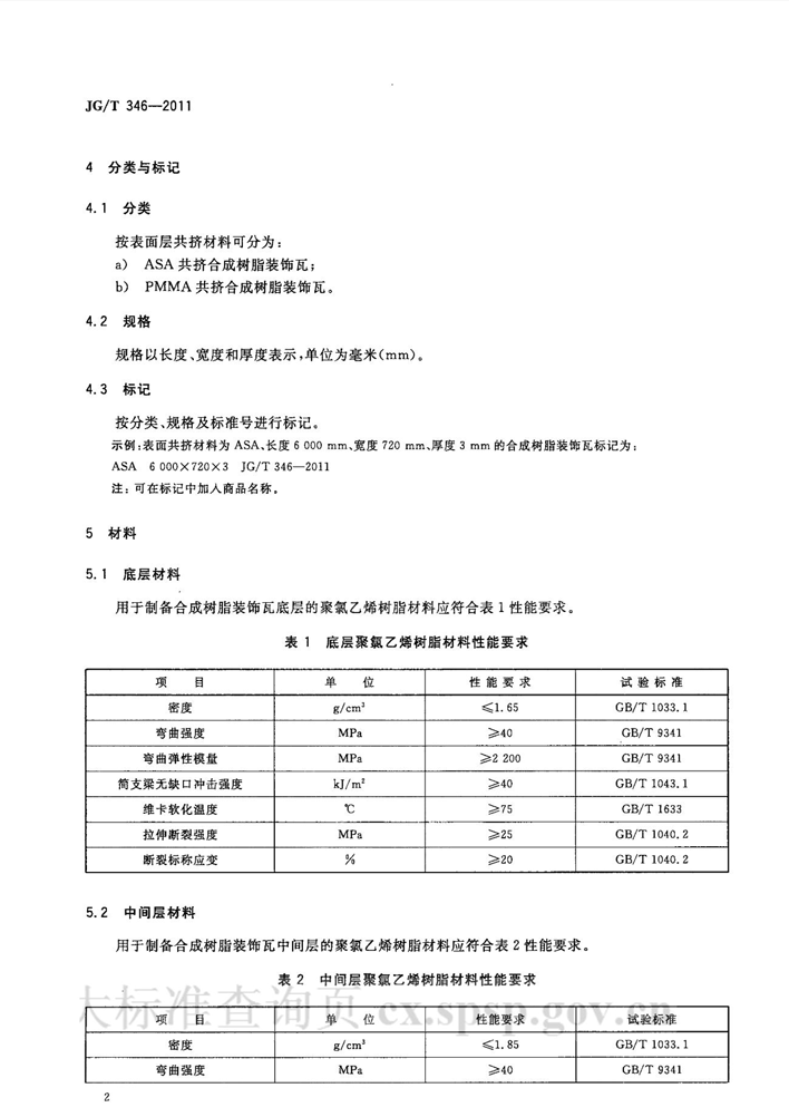
編號JG/T 346-2011《合成樹脂瓦行業標準》,對合成樹脂瓦的術語定為“合成樹脂裝飾瓦”。以聚氯乙烯樹脂為中間層和底層、丙烯酸類樹脂為表面層,經三層共擠出成型,可有各種形狀的屋面用硬質裝飾材料。表面丙烯酸類樹脂一般包括ASAPMMA,但不包括彩色PVC。
按表面層共擠材料可分為:ASA共擠合成樹脂裝飾瓦,PMMA共擠合成樹脂裝飾瓦。現在市場上銷售的基本都是ASA合成樹脂瓦。
對底層材料的性能要求:用于制備合成樹脂裝飾瓦底層的聚錄乙烯樹脂材料應符合表1性能要求。

表面層厚度要求:表面層厚度不應小于0.15mm。表面應平整、顏色均勻、無裂紋、破孔、燒焦、氣泡、明顯麻點、異色點。
加熱后尺寸變化率:加熱后尺寸變化率不應超過2.0%。不應產生氣泡、裂紋和麻點。表面層與中間層之間不應出現分離。
落錘沖擊:落錘沖擊試驗機:落錘質量(1000±5)g,錘頭半徑(25±0.5)mm,低溫冷凍試驗箱:能達到-20度。試樣的破裂個數不應超過1個。
附:合成樹脂瓦行業標準圖

對底層材料的性能要求:用于制備合成樹脂裝飾瓦底層的聚錄乙烯樹脂材料應符合表1性能要求。

中間層材料性能要求:用于制備合成樹脂裝飾瓦中間層的聚錄乙烯樹脂材料應符合表2性能要求。

加熱后尺寸變化率:加熱后尺寸變化率不應超過2.0%。不應產生氣泡、裂紋和麻點。表面層與中間層之間不應出現分離。
落錘沖擊:落錘沖擊試驗機:落錘質量(1000±5)g,錘頭半徑(25±0.5)mm,低溫冷凍試驗箱:能達到-20度。試樣的破裂個數不應超過1個。
附:合成樹脂瓦行業標準圖








標題:舊《合成樹脂瓦國家行業標準》編號JG/T 346-2011「完整版本」,地址:http://www.jlshcdfaw.com/wenda/163.html
同類文章推薦
- 合成樹脂瓦的使用壽命到底是多久?
- 合成樹脂瓦廠家坤寶建材新增6條全自動生產線
- 農村別墅屋面瓦選擇-合成樹脂瓦!
- 夏天樹脂瓦為它降溫——「破,爛,跨」的動物救助基地。
- “新品”「塑料一體仿古屋檐瓦」屋檐上的藝術成都坤寶
- 合成樹脂瓦好壞的內情!你學會判別了嗎?還要持續受騙嗎?
- 合成樹脂瓦廠家之坤寶建材——桃花溝游記
- 合成樹脂瓦,顏色越鮮艷越好嗎?
- 樹脂瓦的顏色會褪色嗎?那種顏色可以?
屋面瓦問題錦集
- 樹脂瓦價格多少一平方
- 樹脂瓦廠家直銷多少錢
- 陶瓷瓦和樹脂瓦的使用壽命
- 樹脂瓦的隔熱效果如何,價格多少
- 樹脂瓦好嗎?價格多少一平米
- 樹脂瓦一般有幾種顏色
- 瓦片有幾種,瓦片有哪幾種圖片
- 樹脂瓦為什么容易裂?
- 樹脂瓦為什么容易漏水
- 樹脂瓦一米有多重_三毫米樹脂瓦每平米多重